Магазин запчастей для бытовой техники - Arlos
Москва
close
Выберите ваш регион
АбаканАлександровАльметьевскАнгарскАрзамасАрмавирАртемАрхангельскАстраханьАчинскБалаковоБалашихаБеларусьБелгородБердскБерезникиБийскБлаговещенскБратскБрянскВеликий НовгородВидноеВладивостокВладикавказВладимирВолгоградВолгодонскВолжскийВологдаВолховВоркутаВоронежВоскресенскВыборгГатчинаГеленджикГрозныйДедовскДербентДзержинскДзержинскийДимитровградДмитровДолгопрудныйДомодедовоДонецкЕвпаторияЕгорьевскЕкатеринбургЕлецЕссентукиЖелезногорскЖелезнодорожныйЖуковскийЗеленоградЗлатоустИвановоИвантеевкаИжевскИркутскИстраЙошкар-ОлаКазаньКалининградКалугаКаменск-УральскийКамышинКаспийскКемеровоКерчьКировКисловодскКлинКовровКоломнаКомсомольск-на-АмуреКопейскКоролёвКостромаКотельникиКрасногорскКраснодарКраснознаменскКрасноярскКурганКурскКызылЛенинск-КузнецкийЛипецкЛобняЛыткариноЛюберцыМагнитогорскМайкопМалаховкаМахачкалаМиассМоскваМурманскМуромМытищиНабережные ЧелныНазраньНальчикНаро-ФоминскНахабиноНаходкаНевинномысскНефтекамскНефтеюганскНижневартовскНижнекамскНижний НовгородНижний ТагилНовокузнецкНовокуйбышевскНовомосковскНовороссийскНовосибирскНовоуральскНовочебоксарскНовочеркасскНовошахтинскНовый УренгойНогинскНорильскНоябрьскОбнинскОдинцовоОктябрьскийОмскОрелОренбургОрехово-ЗуевоОрскПавловский ПосадПензаПервоуральскПермьПетрозаводскПетропавловск-КамчатскийПодольскПрокопьевскПсковПушкиноПятигорскРаменскоеРеутовРостов-на-ДонуРубцовскРыбинскРязаньСакиСалаватСамараСанкт-ПетербургСаранскСаратовСевастопольСеверодвинскСеверскСергиев ПосадСерпуховСимферопольСмоленскСосновый БорСочиСтавропольСтарый ОсколСтерлитамакСтупиноСургутСызраньСыктывкарТаганрогТамбовТверьТихвинТольяттиТомилиноТомскТроицкТулаТюменьУлан-УдэУльяновскУссурийскУсть-ИлимскУфаУхтаФеодосияФрязиноХабаровскХанты-МансийскХасавюртХимкиЧебоксарыЧелябинскЧереповецЧеркесскЧеховЧитаШахтыЩелковоЭлектростальЭлистаЭнгельсЮжно-СахалинскЯкутскЯлтаЯрославль
  • - бесплатно по РФ
    Автоперезвон. Работает по принципу: Вы позвонили на номер, мы сбрасываем звонок и перезваниваем через 3 секунды.
  • - по Москве
  • 8 (925) 663-83-63

Call-центр

пн-вс: 10:00-19:00

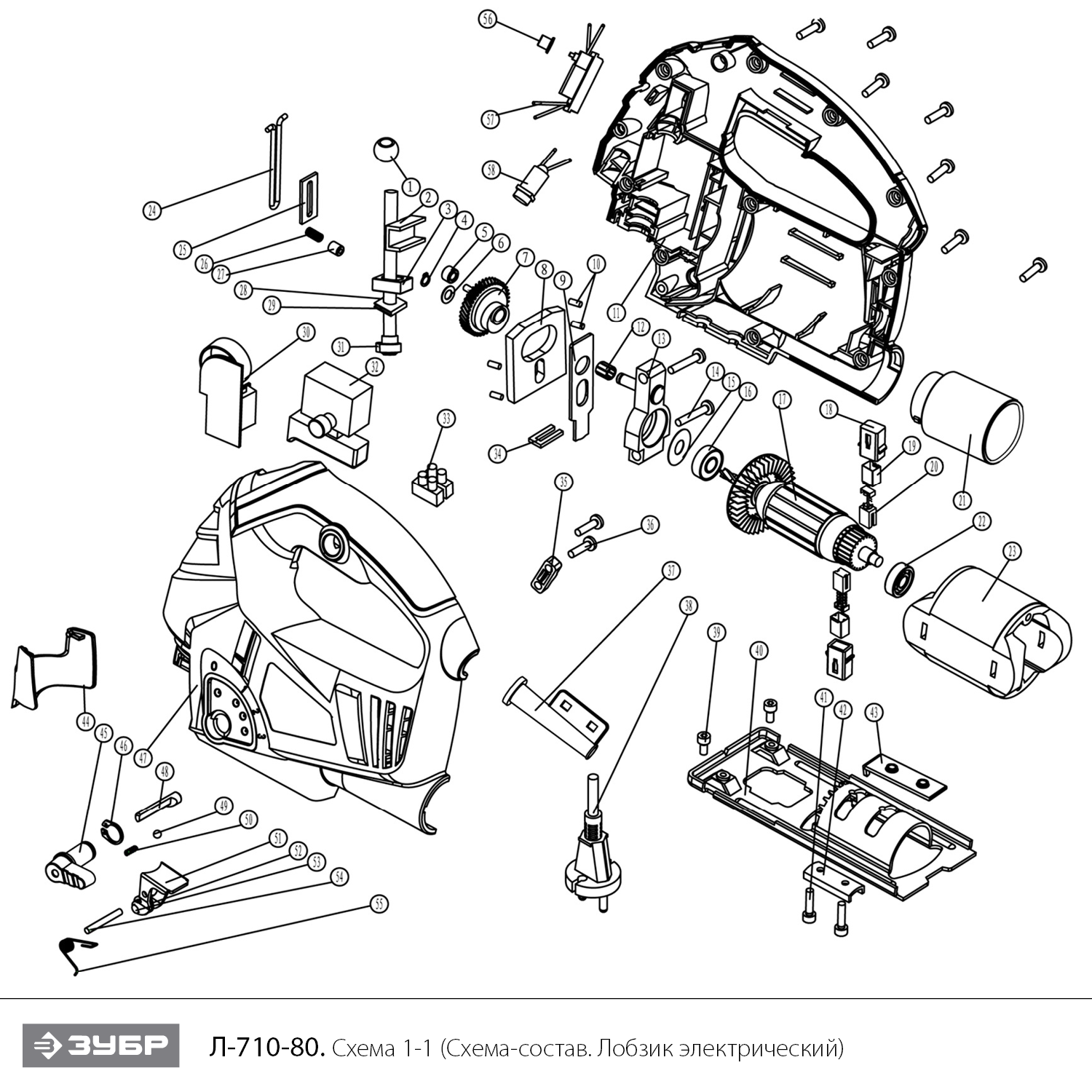
Лобзик электрический Л-710-80

Данная модель имеет несколько схем

NАртикулНазваниеСрок отгрузкиЦенаКупить
1 U354-571-019 Направляющая штока круглая (верхняя) D8 92 р.
1.09 U009-607-RS0 Подшипник шариковый 607 RS (19х7х6) U009-607-RS0 для болгарок УШМ-П125-850, AGS-125-1000 286 р.
1.20 U009-608-RS0 Подшипник шариковый 608-2RS (22х8х7) U009-608-RS0 для пил ЗПС-850 Э, ЗПТ-210-1300-Л 306 р.
2 N000-019-937 Шток D8 381 р.
2.C N000-019-937-C Шток в сборе N000-019-937-C для лобзиков Л-570-65, Л-710-80 351 р.
3 U354-571-061 Направляющая штока D8 (нижняя) 92 р.
4 UM06-000-004 Кольцо стопорное D5 UM06-000-004 для ЗПД-2000, ЗУШМ-115-600 81 р.
5 U204-570-024 Втулка стальная D10 Dвн5 h6 92 р.
6 U354-570-029 Шайба D=12 D=6 92 р.
7 U354-570-032 Шестерня ведомая D40.5 Z46 383 р.
8 U354-570-033-2 Противовес (48х52,5х3,25) 92 р.
9 U354-570-035 Толкатель маятника 92 р.
10 U354-570-037 Штифт металлический 23 р.
11 N000-019-954 Корпус правая часть 572 р.
12 U010-061-309 Подшипник игольчатый HK061309 (13х6х9) 189 р.
13 N000-019-941 Противовес 59x28x28 151 р.
14 UM02-000-072 Саморез 4x27 PH2 #F 92 р.
15 U604-620-015 Шайба (d8,5 D21,5 h0,3)
17 N000-019-955 Ротор КДА D39х40 1.513 р.
18 N000-019-946 Корпус щеткодержателя 131 р.
19 U354-570-049-W Щетка графитовая (пара) 5х8х11 119 р.
19 N000-019-945 Щёткодержатель 60 р.
21 N000-019-956 Переходник для пылесоса
23 N000-019-957 Статор КДС D65х40 1.461 р.
24 U354-570-047 Скоба 56 р.
25 U354-570-002 Направляющая штока вертикальная 92 р.
26 U354-570-005 Пружина h=12, D=5 92 р.
27 U354-570-006 Втулка h 8, D5, D7 189 р.
28 U354-571-043 Пыльник штока D8 92 р.
29 U354-571-040 Обойма пыльника штока D8 92 р.
30 V000-004-321 Регулятор оборотов модель 13-65, 3 вывода 415 р.
31 U204-570-012 Пилкодержатель D14.5х12 189 р.
32 V000-003-306 Выключатель TMSD3-2-2 16(8)A 250V~ 25T105/55 5E4 242 р.
34 U354-570-041 Пыльник маятника
35 U354-570-057 Прижим шнура 92 р.
35 N000-019-953 Лыжа N000-019-953 для лобзиков Л-570, Л-710, Л-570-65, Л-710-80 588 р.
36 UM02-000-066 Саморез 4x19 PH2 92 р.
37 U098-001-003 Воротник шнура #F 92 р.
38 U099-004-001 Шнур сетевой пласт. 2x0,75мм 2м #F 189 р.
39 UM01-000-016 Винт M4x12 H3 (цилиндр) #F 92 р.
41 UM01-000-025 Винт M4x20 Н3 (цилиндр) #F 92 р.
42 U604-620-060 Прижим лыжи
43 U354-571-021 Гайка специальная прижима лыжи
44 N000-019-951 Экран защитный 189 р.
45 U604-620-044 Ручка регулятора маятника
46 UM06-001-014 Кольцо разжимное D10 #F 92 р.
47 N000-019-959 Корпус левая часть 572 р.
48 U354-710-044 Переключатель хода маятника 70 р.
49 U261-960-011 Шарик стальной D4 84 р.
50 U604-620-049 Пружина 46 р.
54 U354-570-018 Ось держателя упорного ролика 92 р.
55 U354-570-016 Пружина 92 р.
59 U354-570-014-C Ролик упорный в сборе 189 р.
Найдено товаров: 53
1
▲ Наверх
0
8 (925) 663-83-63

Call-центр

пн-вс: 10:00-19:00

НАЙТИ ПО МОДЕЛИ
Введите номер заказа
Введите номер своего заказа, что бы узнать его текущий статус.
Что бы получить доступ к расширенным функциям, пройдите не сложную регистрацию. Зарегистрироваться